BK5016 4.75" X 1" BK Single Groove V-Pulley media thumbnails
6RGG7055Q6QUF8U0
ML9NLM6AV8K0FAR0
OL9NLM6AV8K0FAR0

BK5016 4.75" X 1" BK Single Groove V-Pulley

$14.46 USD

Shipping calculated at checkout

Browning (Emerson Power Transmission Products) SKU: BK5016






Specifications



• Manufactured in high quality grey cast iron

• Finished bore with H7 precision

• Keyway and set screws in accordance with USAS. B. 17.1-1967

• Individually packaged





































































Brand Browning
Various
Part Number BK5016
BK50X1
Bore 1"
Sheave Cross Section BK
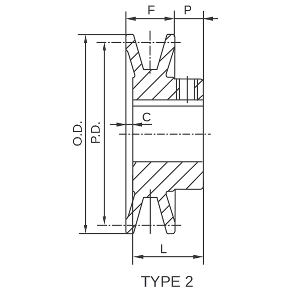
Outside Diameter 4.75"
Pulley Diameter “A” 4.00"
Pulley Diameter “B” 4.40"
Type 2
Pulley Width “F” 7/8"
Dimension “L” 1-5/32"
Dimension “P” 13/32"
Recess Depth “C” 1/8"
Approximate Weight 2.0 lbs
Keyseat (WxD) 1/4" x 1/8"
Set Screw(s) Yes, 2
Country of Origin Various


Add custom text to your tabs

Browning (Emerson Power Transmission Products)