BK5010 4.75" X 5/8" BK Single Groove V-Pulley media thumbnails
4BUB7055Q6QUF8U0
UIEDP2J8V8K0FAR0
0JEDP2J8V8K0FAR0

BK5010 4.75" X 5/8" BK Single Groove V-Pulley

$25.74 USD

Shipping calculated at checkout

New Standard Power Transmission SKU: BK5010

4 In Stock!






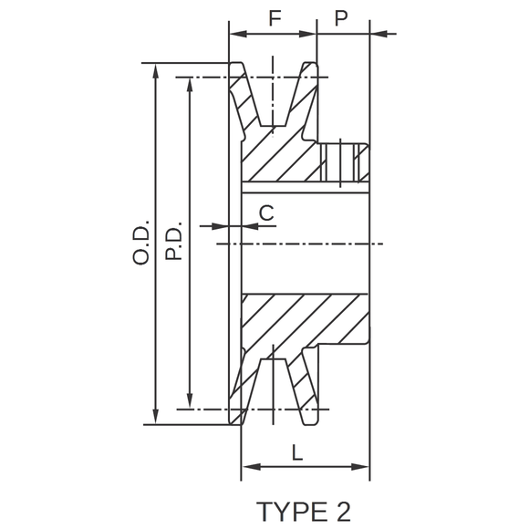
Specifications



• Manufactured in high quality grey cast iron

• Finished bore with H7 precision

• Keyway and set screws in accordance with USAS. B. 17.1-1967

• Individually packaged





































































Brand Various
Part Number BK5010
BK50X5/8
Bore 5/8"
Sheave Cross Section BK
Outside Diameter 4.75"
Pulley Diameter “A” 4.00"
Pulley Diameter “B” 4.40"
Type 2
Pulley Width “F” 7/8"
Dimension “L” 1-5/32"
Dimension “P” 13/32"
Recess Depth “C” 1/8"
Approximate Weight 2.0 lbs
Keyseat (WxD) 3/16" x 3/32"
Set Screw(s) Yes, 2
Country of Origin Various


Add custom text to your tabs

New Standard Power Transmission