H12 AMEC "H" Style Taper Bushing, 3/4" Bore media thumbnails
EDGG2ES6Q6QUF8U0
I5181KRVS8K0FAR0

H12 AMEC "H" Style Taper Bushing, 3/4" Bore

$8.02 USD

Shipping calculated at checkout

AMEC Industry, Inc SKU: H12

1 In Stock!






Specifications


















































































Brand Various
AMEC
Part Number H12
H-12
HX3/4
Bore 3/4"
Keyseat 3/16" x 3/32"
UPC
Country of Origin Various
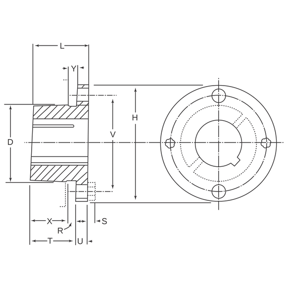
Dimension "L" 1-1/4"
Dimension "U" 1/4"
Dimension "T" 1"
Dimension "D" 1.625" (Large End)
1.570" (Small End)
Dimension "H" 2-1/2"
Dimension "V" 2"
Dimension "X" 7/8"
Dimension "Y" 3/16"
Dimension "R" 1/8"
Dimension "S" 3/16"
Number of Screws/Bolts 2
Screw/Bolt Size 1/4” x 3/4”
Wrench Torque 95 Inch-lbs


Add custom text to your tabs

AMEC Industry, Inc