BK2516 2.50" X 1" BK Single Groove V-Pulley media thumbnails
6O5EP835Q6QUF8U0
QFE247LET8K0FAR0
SFE247LET8K0FAR0

BK2516 2.50" X 1" BK Single Groove V-Pulley

$9.60 USD

Shipping calculated at checkout

AMEC Industry, Inc SKU: BK2516

2 In Stock!






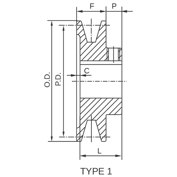
Specifications



• Manufactured in high quality grey cast iron

• Finished bore with H7 precision

• Keyway and set screws in accordance with USAS. B. 17.1-1967

• Individually packaged





































































Brand AMEC
Various
Part Number BK2516
BK25X1
Bore 1"
Sheave Cross Section BK
Outside Diameter 2.50"
Pulley Diameter “A” 1.90"
Pulley Diameter “B” 2.30"
Type 1
Pulley Width “F” 13/16"
Dimension “L” 1-1/16"
Dimension “P” 13/32"
Recess Depth “C” 5/32"
Approximate Weight 0.5 lbs
Keyseat (WxD) 1/4" x 1/8"
Set Screw(s) Yes, 2
Country of Origin Various


Add custom text to your tabs

AMEC Industry, Inc