Specifications
• Manufactured in high quality grey cast iron
• Finished bore with H7 precision
• Keyway and set screws in accordance with USAS. B. 17.1-1967
• Individually packaged
| Brand | Various |
|---|---|
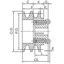
| Part Number | 2BK45H |
| Outside Diameter | 4.25" |
| Pulley Diameter "A" | 3.50" |
| Pulley Diameter "3L" | 3.90" |
| Type | 1D |
| Dimension "OL" | 2-3/8" |
| Dimension "F" | 1-3/4" |
| Dimension "L" | 1-1/4" |
| Dimension "P" | 7/16" |
| Dimension "C" | 7/8" |
| Dimension "X" | 7/8" |
| Dimension "G" | 7/16" |
| Dimension "E" | 3/16" |
| Approximate Weight | 3.0 lbs |
| UPC | |
| Country of Origin |
Product title
Vendor
$19.99 USD | $24.99 USD
Product title
Vendor
$19.99 USD | $24.99 USD
Product title
Vendor
$19.99 USD | $24.99 USD
Product title
Vendor