FRN0115E2S-2GB 40 HP Fuji FRENIC-ACE Variable Frequency Drive (VFD) media thumbnails
EM5JGOCJP8K0FAR0
CE36EQ2GM8K0FAR0
EE36EQ2GM8K0FAR0
09K7EQ2GM8K0FAR0
29K7EQ2GM8K0FAR0
G27HLDOQM8K0FAR0
2QAEOOOQM8K0FAR0
KKRFOOOQM8K0FAR0
S1S0SM1CN8K0FAR0
U1S0SM1CN8K0FAR0
02S0SM1CN8K0FAR0
22S0SM1CN8K0FAR0

FRN0115E2S-2GB 40 HP Fuji FRENIC-ACE Variable Frequency Drive (VFD)

$1,916.00 USD

Shipping calculated at checkout

Fuji Electric Corp. of America SKU: FRN0115E2S-2GB

30 Day
Return Policy

Ships Fast
in 24 hours

3-Ph 200-240V In (3-Ph 200-240V Out, 115A Max)

8 In Stock!



  The FRENIC-Ace is a high performance, full-featured Drive designed to suit a wide variety of applications including fans, pumps, specialized machinery and more. Equipped with 200 steps of customizable logic and PMAC motor control, the FRENIC-Ace provides compact, but powerful multi-rated specification solutions for virtually all AC drive applications and comes standard with an industry-leading 3-year warranty.


Specifications






























































































Nominal Motor HP [kW] 40 Hp [30 kW] (HND - Variable Torque)
30 Hp [22 kW] (HHD - Constant Torque)
Rated Output Capacity kVA 44 kVA (HND)
34 kVA (HHD)
Rated Output Voltage 3 Phase, 200-240 Volt (with AVR)
Rated Output Current 115 Amps (HND)
90 Amps (HHD)
Rated Overload Capability 120 % of nominal current for 1 minute (HND)
150 % of nominal current for 1 minute or 200% of nominal current for 0.5 seconds (HHD)
Main Power Supply Input 3 Phase, 200 to 240 Volt, 50/60 Hz (With AVR)
Voltage / Frequency Variations Voltage: +10 % to -15%
Voltage Unbalance: 2% or less
Frequency: +5% to -5%
Rated Current Input without DC Reactor
[with DC Reactor]
151 Amps [114 Amps] (HND)
112 Amps [84.4 Amps] (HHD)
Required Power Supply Capacity 40 kVA (HND)
30 kVA(HHD)
Braking Torque 15 % (HND)
20 % (HHD)
DC Braking Starting frequency: 0.1 to 60.0 Hz
Braking Time: 0.0 to 30.0 Seconds
Braking Level: 0 to 80 % (HND), 0-100 % (HHD) of nominal current
Braking Chopper Built-In
Braking Resister Optional
Minimum Connectable Resistance 4 ?
DC Reactor Optional, DCR2-30B (HND)
Optional, DCR2-22A (HHD)
Cooling Fan Cooling
Optional External Cooling Adapter, PB-F1-30
Braking Transistor Built-in
EMC Filter Optional
List Price $2,350
Dimensions 9.84" x 15.75" x 7.68"
Weight 22 lbs
Warranty 3 Years


Environmental






























Enclosure IP20, UL Open Type
UL Type 1 by Option Kit NEMA1-22G1-2
Ambient Temperature Standard (Open Type): -10 to +50 °C / 14 to 122 °F (HHD/HND)
NEMA 1/UL Type 1: -10 to+40 °C / 14 to 104 °F (HHD/HND)
Storage Temperature -25 to +65°C (-13 to 149 °F)
Humidity 5 to 95% Relative Humidity (without condensation)
Installation Location Indoors
Altitude <3,300ft (1,000m)
1000-1500m .97 Output Current Derating Factor
1500-2000m .95 Output Current Derating Factor
2000-2500m .91 Output Current Derating Factor
2500-3000m .88 Output Current Derating Factor


Codes and Standards
























UL / cUL 508C C22.2 No.14
CE
RoHs
GOST-R
KC
EN / ISOc13849-1:2008 cat. 3/PL:e


Electrical






















































Control V/F Control
V/F Control with Slip Compensation
Dynamic Torque Vector Control
V/F Control with Encoder (Optional)
Vector Control with Encoder (Optional)
PM Motor Sensorless Vector Control
Output Stability Analog setting: +/-0.2% of maximum frequency
Digital setting: +/-0.01% of maximum frequency (by keypad settings)
Output Frequency Max 500Hz
Speed Control Range 1:1500 IM Vector Control w/encoder
1:100 IM V/F w/encoder
1:10 PM Sensorless Vector Control
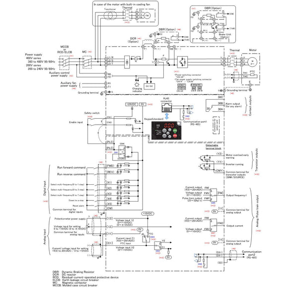
Digital Inputs (7) X1 - X5, FWD, & REV Programmable, 60 selectable functions
Analog Inputs (1) -0 to +10Vdc
(1) -4 to 20mA
Digital Outputs (1) From C Relay
(2) Transistor Output, 78 Selectable Functions
Analog Output: Selectable Type (2) 0 to 10Vdc or 4 to 20mA, 19 Selectable Output Signal Functions.
RS-485 Connections (2) RJ45 Port Terminal
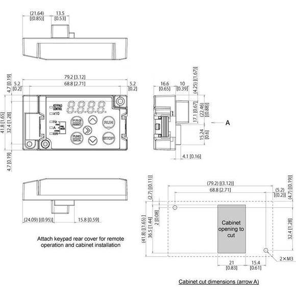
Operator's Keypad with LED Display Indicating System Operation and Associated Value
Conversion, Status of I/O, Operations and Alarms
Keypad Indications Operations, Number of times unit placed in operation, Duration
and kWh output
24Vdc Output Terminal 100mA Maximum Supply

*High Carrier Frequency Normal Duty
  High Carrier Frequency Heavy Duty