GH1006 WEG 1/17HP Parallel Shaft Gearmotor, 90RPM media thumbnails
FGDDEQMS2TS1ANB0
4842IEUORTS1ANB0

GH1006 WEG 1/17HP Parallel Shaft Gearmotor, 90RPM

$326.60 USD

Shipping calculated at checkout

WEG Electric Corporation SKU: GH1006 Barcode: 7909492478683

TENV, IP55, 90VDC, 16:1 Ratio, 20 in lbs






Description



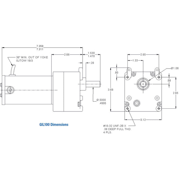
The GL100 Series Gearbox, when matched with the appropriate RAE motor, is a versatile parallel shaft, medium torque gearmotor offering long gear life in a reduced noise design.



Features




  • Gearbox Designed to AGMA Standards

  • Oil Filled

  • Needle Bearings (Gearbox)

  • High Energy Ceramic Magnets

  • Double Shielded Ball Bearings (Motor)

  • Dynamically Balanced Armature

  • Reversible Design

  • 36" Cord

  • TENV Design

  • Externally Replaceable Brushes

  • Auto-Hook Tang Type Commutator

  • Class "F" Insulation



Specifications





Documents



  • 90VDC
  • Electric Motor
  • TENV
  • DC
  • 1/17HP
  • 90RPM

WEG Electric Corporation