BK3214 3.35" x 7/8" BK Single Groove V-Pulley media thumbnails
8MS6VU35Q6QUF8U0
KBN58D19T8K0FAR0
MBN58D19T8K0FAR0

BK3214 3.35" x 7/8" BK Single Groove V-Pulley

$13.82 USD

Shipping calculated at checkout

Witmer Motor Service SKU: BK3214

3 In Stock!






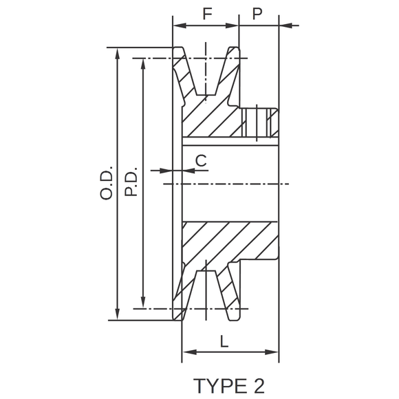
Specifications



• Manufactured in high quality grey cast iron

• Finished bore with H7 precision

• Keyway and set screws in accordance with USAS. B. 17.1-1967

• Individually packaged





































































Brand Various
Part Number BK3214
BK32X7/8
Bore 7/8"
Sheave Cross Section BK
Outside Diameter 3.35"
Pulley Diameter “A” 2.60"
Pulley Diameter “B” 3.00"
Type 2
Pulley Width “F” 13/16"
Dimension “L” 1-1/16"
Dimension “P” 13/32"
Recess Depth “C” 5/32"
Approximate Weight 1.0 lbs
Keyseat (WxD) 3/16" x 3/32"
Set Screw(s) Yes, 2
Country of Origin Various


Add custom text to your tabs

Witmer Motor Service